Envíanos un correo electrónico
Productos
Regulador de presión Airtac tipo GR
  • Regulador de presión Airtac tipo GRRegulador de presión Airtac tipo GR

Regulador de presión Airtac tipo GR

Puede estar seguro de comprar un regulador de presión GR tipo Airtac en nuestra fábrica y le ofreceremos el mejor servicio posventa y entrega oportuna.

El regulador de presión Airtac tipo GR proporciona un control de presión estable y preciso para sistemas neumáticos. Regulador neumático OLK GR con construcción duradera y fácil ajuste, garantiza un rendimiento confiable en equipos de automatización, herramientas neumáticas, compresores y aplicaciones industriales en general. Compatible con filtros, lubricadores y unidades FRL.

Regulador de presión GR tipo Airtac Características del producto:

·El manómetro cuadrado incorporado ahorra espacio de instalación (manómetro redondo externo opcional).

·El diseño de bloqueo evita el ajuste accidental de la presión causado por fuerzas externas.

·La estructura reguladora de presión equilibrada garantiza una presión estable, una pequeña fluctuación y un buen rendimiento.

·Se puede instalar en un panel o con un soporte de montaje opcional.

·Además del modelo estándar, también está disponible un modelo de baja presión (presión máxima ajustable: 0,4 MPa)


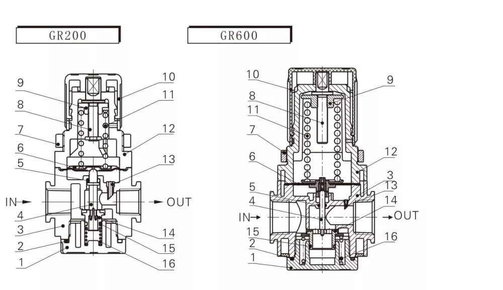
Símbolo del regulador de presión GR:

Código de pedido

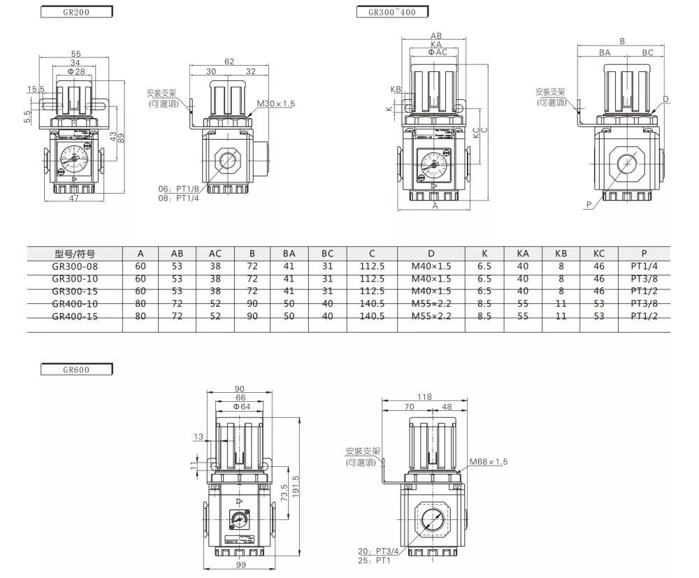
GR200

--

08

Modelo:

 

Tamaño del puerto:

Regulador de presión serie GR200

 

06:PT:1/8

Regulador de presión serie GR300

 

08:PT1/4

Regulador de presión serie GR400

 

10:PT3/8

Regulador de presión serie GR600

 

15:PT1/2

 

 

20:PT3/4

 

 

25:PT1


Modelo

GR200-06

GR200-08

GR300-08

GR300-10

GR300-15

GR400-10

GR400-15

GR600-20

GR600-25

Medio de trabajo

AIRE

Tamaño del puerto

PT1/8

PT1/4

PT1/4

PT3/8

PT1/2

PT3/8

PT1/2

PT3/4

PT1

Rango de presión de funcionamiento

0,05-0,9 Mpa (20-130 psi)

Rango de presión de trabajo

1,5 MPa (215 psi)

TEM.

-20--70 ℃

Peso

160g

350g

720g

1700g


Cómo ajustar el regulador de presión GR tipo Airtac

Hay una escala de presión en la tapa de ajuste. Cuando se suministre aire, levante la perilla y gírela en el sentido de las agujas del reloj hacia el signo "+" para aumentar la presión. Después del ajuste, presione la perilla hacia abajo para bloquearla.


Paso 1: Sostenga la perilla y tire hacia arriba.

Paso 2: gírelo en el sentido de las agujas del reloj para aumentar la presión.

Paso 3: presione la perilla hacia abajo para bloquearla después del ajuste.


Aviso: preste atención a la flecha que indica la dirección del flujo de aire al realizar la conexión. La conexión de entrada invertida puede causar fugas de aire.




Preguntas frecuentes:

¿Qué significa GR?

GR significa regulador de aire de la serie GR.


¿Qué significa GFC?

GFC=GFR+GL  (Filtro Regulador + Lubricador)


25:PT1

GC=GF+GR+GL (Filtro + Regulador neumático + Lubricador)



Etiquetas calientes: Regulador de presión Airtac tipo GR, China, fabricante, proveedor, fábrica
Enviar Consulta
Datos de contacto
  • DIRECCIÓN

    Carretera Zhengtai, Zona Industrial Xinguang, Liushi, Yueqing, Wenzhou, Zhejiang, China.

  • Correo electrónico

    cici@olkptc.com

¡Bienvenido a nuestro sitio web! Para consultas sobre nuestros productos o lista de precios, déjenos su correo electrónico y nos comunicaremos con usted dentro de las 24 horas.
Correo electrónico
cici@olkptc.com
Teléfono
86-0577 57178620
Móvil
+86-13736765213
DIRECCIÓN
Carretera Zhengtai, Zona Industrial Xinguang, Liushi, Yueqing, Wenzhou, Zhejiang, China.
X
Utilizamos cookies para ofrecerle una mejor experiencia de navegación, analizar el tráfico del sitio y personalizar el contenido. Al utilizar este sitio, acepta nuestro uso de cookies. política de privacidad
Rechazar Aceptar