Envíanos un correo electrónico
Productos
Válvula de palanca neumática TAC
  • Válvula de palanca neumática TACVálvula de palanca neumática TAC

Válvula de palanca neumática TAC

Como fabricante profesional, OLK desea ofrecerle la válvula de palanca neumática TAC. Y OLK le ofrecerá el mejor servicio postventa y entrega oportuna.

La válvula de palanca neumática TAC (también conocida como válvula de conmutación) es un componente de conmutación de precisión especialmente diseñado para sistemas neumáticos y control de fluidos. Con su exclusiva estructura de control de tipo palanca, logra una conmutación rápida y un control preciso de las rutas de fluido.

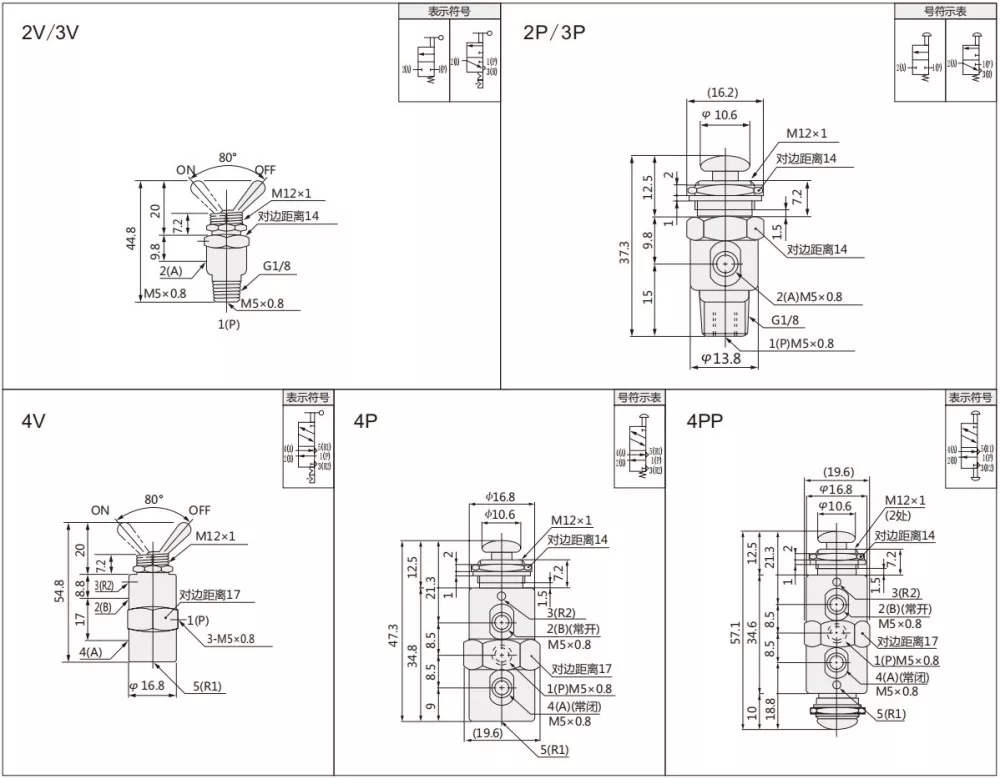
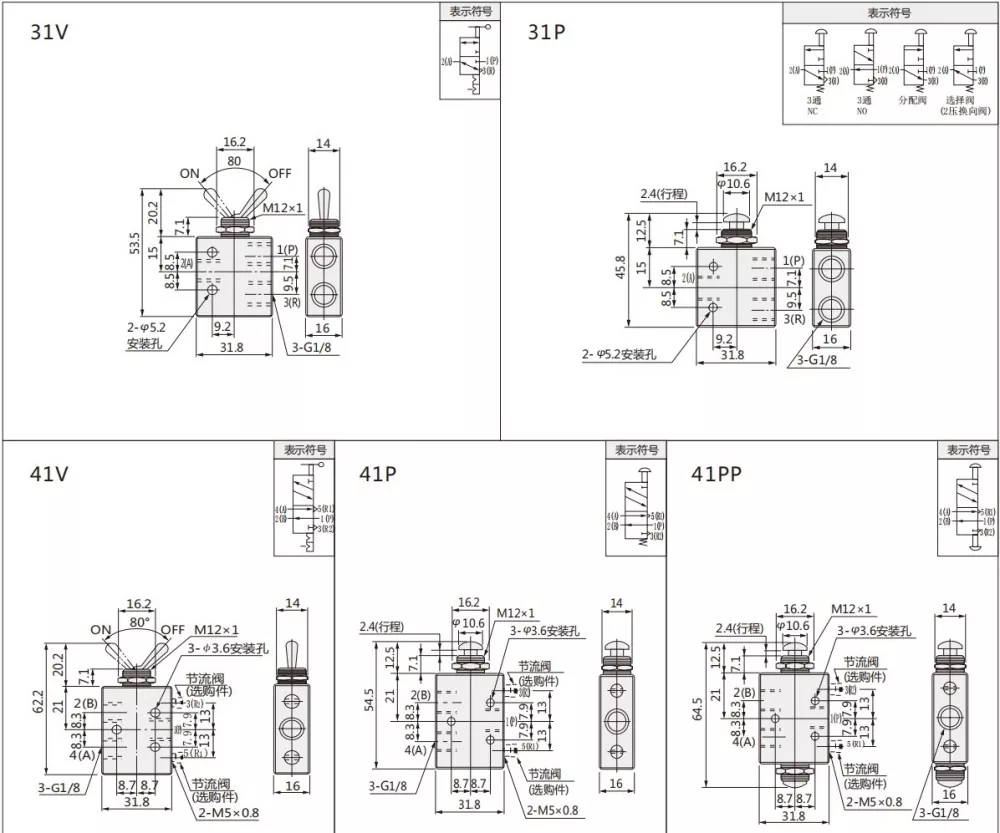
La válvula de palanca de la serie TAC tiene 2 posiciones de 2 vías, 2 posiciones de 3 vías y 2 posiciones de 5 vías. Se pueden elegir varios tipos de palanca y dos tipos de rosca: M5, G1/8.

Escenarios de aplicación

Equipos de automatización industrial, procesamiento mecánico, procesamiento de materiales de construcción, energía y minería, industria de alimentos y bebidas, equipos médicos, etc.

Características del producto

Es de tamaño pequeño, requiere poco espacio de instalación y su funcionamiento manual es intuitivo, lo que lo hace adecuado para escenarios que requieren cambios frecuentes.

Símbolo y contorno de la válvula de palanca TAC

código de pedido

TAC

2

__

2

P

 

 

 

 

 

Válvula de palanca serie TAC

 

 

2:2 posición 2 vías (M5)

P: tipo botón push-pull

 

 

 

Posición 3:2 de 3 vías (M5)

V: tipo palanca manual

 

 

 

Posición 4:2 de 5 vías (M5)

PP: Doble botón push-pull

 

 

 

Posición 31:2 de 3 vías (G1/8)

 

 

 

 

Posición 41:2 de 5 vías (G1/8)

 

 

Modelo

Tamaño del puerto

 

Número
de Posición

Eficaz  
área transversal

Rango de presión

Fluido de trabajo

Ambiente
Temperatura

 

TAC-2V

Entrada=Salida=M5   

2 posiciones 2 vías

1,9 mm²

0,05 ~ 0,9 PPA

Aire

0~60

TAC-2P

Entrada=Salida=M5   

2 posiciones 2 vías

1,9 mm²

Tac-3V

Entrada=Salida=M5   

2 posiciones 3 vías

1,9 mm²

Tac-3p

Entrada=Salida=M5   

2 posiciones 3 vías

1,9 mm²

Tac-4V

Entrada=Salida=M5   

2 posiciones 5 vías

1,9 mm²

TAC-4P

Entrada=Salida=M5   

2 posiciones 5 vías

1,9 mm²

4PP

G1/8

 

2 posiciones 5 vías

4,5 mm²

TAC2-31V

Entrada=Salida=Escape=G1/8   

2 posiciones 3 vías

4,5 mm²

TAC2-31P

Entrada=Salida=Escape=G1/8   

2 posiciones 3 vías

4,5 mm²

TAC2-41V

Entrada=Salida=G1/8   Escape=M5

2 posiciones 5 vías

4,5 mm²

TAC2-41P

Entrada=Salida=G1/8   Escape=M5

2 posiciones 5 vías

4,5 mm²

TAC2-41PP

Entrada=Salida=G1/8   Escape=M5

2 posiciones 5 vías

4,5 mm²

Preguntas frecuentes:

¿Cuál es la diferencia entre válvula de palanca y válvula mecánica?

Se puede distinguir la válvula de palanca y la válvula mecánica por tipo de control: la válvula de palanca es del tipo de sujeción de palanca con pasador, la válvula mecánica es del tipo de botón push-pull o del tipo de rodillo

 

¿Cuál es la diferencia entre la válvula de palanca y otras válvulas?

Control preciso: las válvulas de palanca logran una regulación fina del flujo a través de un núcleo de válvula cónico, que es adecuado para un control preciso en tuberías de pequeño diámetro, mientras que las válvulas de bola son más adecuadas para operaciones de apertura y cierre rápidos.

Etiquetas calientes: Válvula de palanca neumática TAC, China, fabricante, proveedor, fábrica
Enviar Consulta
Datos de contacto
  • DIRECCIÓN

    Carretera Zhengtai, Zona Industrial Xinguang, Liushi, Yueqing, Wenzhou, Zhejiang, China.

  • Correo electrónico

    cici@olkptc.com

¡Bienvenido a nuestro sitio web! Para consultas sobre nuestros productos o lista de precios, déjenos su correo electrónico y nos comunicaremos con usted dentro de las 24 horas.
Correo electrónico
cici@olkptc.com
Teléfono
86-0577 57178620
Móvil
+86-13736765213
DIRECCIÓN
Carretera Zhengtai, Zona Industrial Xinguang, Liushi, Yueqing, Wenzhou, Zhejiang, China.
X
Utilizamos cookies para ofrecerle una mejor experiencia de navegación, analizar el tráfico del sitio y personalizar el contenido. Al utilizar este sitio, acepta nuestro uso de cookies. política de privacidad
Rechazar Aceptar