Envíanos un correo electrónico
Productos
VU07 Válvula Solenoide de Vacío de 3 Vías
  • VU07 Válvula Solenoide de Vacío de 3 VíasVU07 Válvula Solenoide de Vacío de 3 Vías
  • VU07 Válvula Solenoide de Vacío de 3 VíasVU07 Válvula Solenoide de Vacío de 3 Vías
  • VU07 Válvula Solenoide de Vacío de 3 VíasVU07 Válvula Solenoide de Vacío de 3 Vías

VU07 Válvula Solenoide de Vacío de 3 Vías

Como fabricante profesional, OLK desea ofrecerle la válvula solenoide de vacío de 3 vías VU07. Y OLK le ofrecerá el mejor servicio postventa y entrega oportuna.

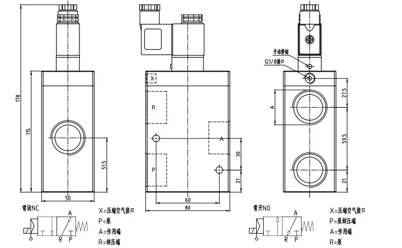
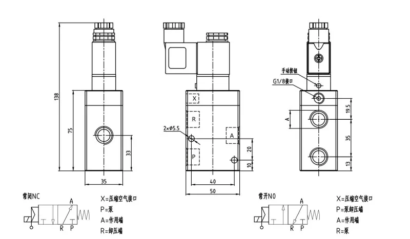
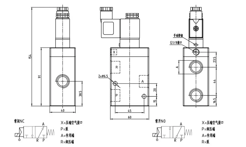
La válvula solenoide de vacío VU07 de 3 vías está disponible con control piloto interno o externo. El cuerpo de la válvula está hecho de aleación de aluminio con un color azul y está diseñado con un orificio grande para una alta capacidad de flujo.

Es adecuado para funcionar bajo vacío (–100 kPa), así como con presión positiva baja (0–0,5 MPa).

Los tamaños de puerto roscado (P,A,R) están disponibles en G3/8, G1/2 y G1, con el puerto de aire comprimido (X) en G1/8.

Aplicaciones principales

La válvula solenoide de vacío de 3 vías se utiliza principalmente en: Unidades de potencia de vacío, Paletizadores de succión, Robots, Alimentadores, Dispositivos de apertura de bolsas y otras aplicaciones que requieren un cambio rápido entre succión de vacío y atmósfera, lo que permite una rápida recuperación a la presión atmosférica.

VU07 Electroválvula de vacío de 3 vías Características:

·Gran capacidad de flujo

·Adecuado para uso en vacío y baja presión (vacío: –100 kPa, baja presión: 0–0,5 MPa)

·Disponible en tipos normalmente cerrado (NC) y normalmente abierto (NO)

·Piloto interno opcional o control de piloto externo

VU07 Electroválvula de vacío 3 vías Símbolo

Código de pedido

VU07

02

11

-

D2448

W

Modelo:

Tamaño del puerto:

Control:

 

Voltaje:

Tipo de piloto:

Válvula solenoide de vacío serie VU07

02: G3/8

11: eléctrico

 

D2448: CC 24 V 4,8 W.

En blanco: piloto interno

 

03:G1/2

31:Aire

 

A22060:CA 220V 6VA

W:piloto externo

 

05:G1

 

 

 

 

 

Modelo

A

Caudal máximo (m³/h)

Vacío (Min:mbar--Max: abs)

Tiempo de respuesta (ms) energizado

Tiempo de respuesta (mseg) Desenergizado

Puerto

Área Portuaria (mm²)

X Presión de control (bar)

Peso (kg)

VU07 02 11

G3/8

10

1000   0,5

16

27

11.5

103.8

4-7

 

VU07 02 11

G1/2

20

1000   0,5

16

40

15

176

6-7

 

VU07 02 11

G1

90

1000   0,5

18

42

25

490

6-8



Preguntas frecuentes:

¿Cuál es el tamaño de rosca de la válvula de vacío VU07?

VU0702: G3/8; VU0703: G1/2; VU0705: G1


¿Qué voltajes están disponibles para la válvula solenoide de vacío VU?

La válvula solenoide de vacío VU está disponible en DC24V 4.8W y AC220V 6VA.


¿Cuál es el tamaño del puerto de aire comprimido en la válvula VU?

Todos los puertos de aire comprimido son G1/8.


¿Qué significa la unidad de tasa de fuga "Torr·L/s"?

"Torr·L/s" es una unidad común para medir la tasa de fuga en sistemas de alto o ultra alto vacío.

Torr: una unidad de presión (1 Torr ≈ 133,3 Pa)

L: litro (unidad de volumen)

s: segundo (unidad de tiempo)

Entonces, "Torr·L/s" indica la cantidad de gas (en Torr × litros) que se escapa por segundo, lo que refleja el rendimiento de sellado de un sistema o componente.


¿Existe algún vínculo entre lagenerador de vacíoy la electroválvula de vacío?

1.Control del suministro de vacío

El generador de vacío crea el vacío mediante aire comprimido, mientras que la válvula solenoide de vacío actúa como interruptor.

Cuando la válvula está abierta, el vacío se conecta a la ventosa o línea de vacío.

Cuando se cierra la válvula, se corta el vacío.


2. Cambio rápido entre vacío y atmósfera.

Durante la recolección, la válvula mantiene conectado el vacío.


Para liberar la pieza de trabajo, la válvula cambia a atmósfera, por lo que la ventosa pierde rápidamente su succión.


3.ahorro de energía

En los sistemas de ahorro de energía, la válvula solenoide puede detener el suministro de aire comprimido una vez que se alcanza el nivel de vacío requerido, reduciendo el consumo de aire.


4.Aplicaciones típicas

Paletizadores por succión

Líneas de montaje automatizadas (controladas por PLC)

Sistemas de agarre por robot


Etiquetas calientes: Válvula solenoide de vacío VU07 de 3 vías, China, fabricante, proveedor, fábrica
Enviar Consulta
Datos de contacto
  • DIRECCIÓN

    Carretera Zhengtai, Zona Industrial Xinguang, Liushi, Yueqing, Wenzhou, Zhejiang, China.

  • Correo electrónico

    cici@olkptc.com

¡Bienvenido a nuestro sitio web! Para consultas sobre nuestros productos o lista de precios, déjenos su correo electrónico y nos comunicaremos con usted dentro de las 24 horas.
Correo electrónico
cici@olkptc.com
Teléfono
86-0577 57178620
Móvil
+86-13736765213
DIRECCIÓN
Carretera Zhengtai, Zona Industrial Xinguang, Liushi, Yueqing, Wenzhou, Zhejiang, China.
X
Utilizamos cookies para ofrecerle una mejor experiencia de navegación, analizar el tráfico del sitio y personalizar el contenido. Al utilizar este sitio, acepta nuestro uso de cookies. política de privacidad
Rechazar Aceptar